Drop in Circulator Product Range
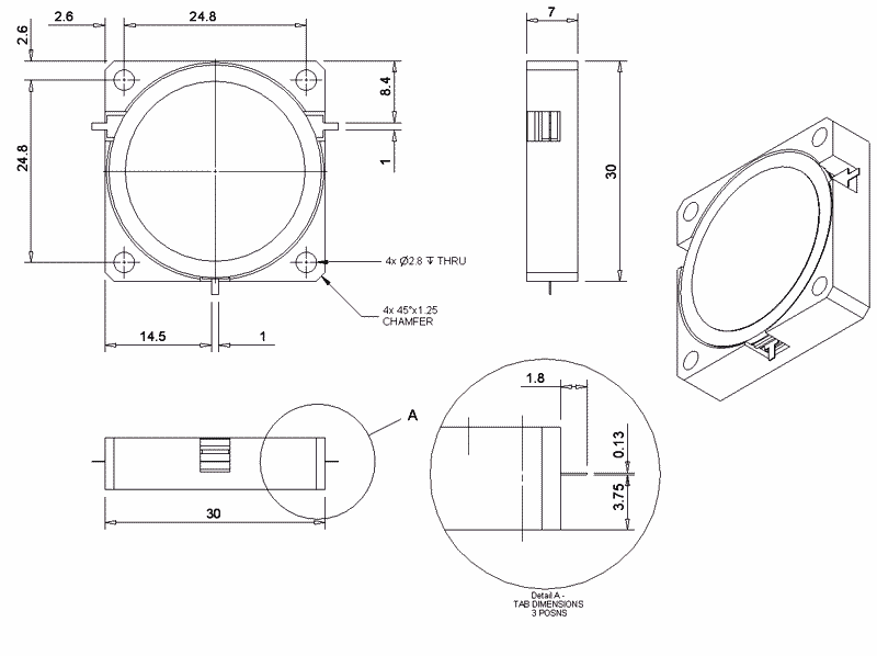
We offer a range of drop-in circulators operating in the 300MHz to 4GHz frequency band. They can be supplied in one or more of the following package sizes. We also have a range of surface mount products, details available on request.
Below are some tables displaying some of our standard product range. This is just a selection of our products, if you don't see something that meets your needs then please contact our sales team as we have many more designs available or a bespoke part can be designed
Typical parameters of a circulator and isolator.
| Standard Package Sizes |
| Imperial (") |
|
Metric (mm) |
| Length |
Width |
Height |
|
|
|
Length |
Width |
Height |
| 1.50 | 1.50 | 0.50 | | | | 38.10 | 38.10 | 12.7 |
| 1.25 | 1.25 | 0.50 | | | | 31.75 | 31.75 | 8.00 |
| 1.18 | 1.18 | 0.26 | | | | 30.00 | 30.00 | 6.60 |
| 1.00 | 1.00 | 0.315 | | | | 25.40 | 25.40 | 8.00 |
| 0.75 | 0.75 | 0.315 | | | | 19.05 | 19.05 | 8.00 |
Drop in Circulator Specification Tables
| 38mm Square Drop in Circulator |
| Device code |
Frequency |
Insertion Loss |
Isolation |
Return Loss |
Power |
Temperature |
| min |
max |
typ |
max |
min |
typ |
min |
typ |
max |
min |
max |
| DC-340-173 | 330 | 350 | 0.40 | 0.50 | 20 | 23 | 20 | 23 | 250 | -10 | 85 |
| DC-410-174 | 390 | 430 | 0.35 | 0.40 | 20 | 23 | 20 | 23 | 250 | -10 | 85 |
| DC-410-175 | 400 | 420 | 0.30 | 0.40 | 20 | 23 | 20 | 23 | 250 | -10 | 85 |
| DC-435-176 | 400 | 470 | 0.4 | 0.50 | 20 | 23 | 20 | 23 | 250 | -10 | 85 |
| DC-424-177 | 415 | 432 | 0.30 | 0.40 | 20 | 23 | 20 | 23 | 250 | -10 | 85 |
| DC-460-178 | 450 | 470 | 0.30 | 0.35 | 20 | 23 | 20 | 23 | 250 | -10 | 85 |
| DC-465-179 | 460 | 470 | 0.30 | 0.35 | 23 | 25 | 23 | 25 | 250 | -10 | 85 |
| DC-490-180 | 480 | 500 | 0.30 | 0.35 | 20 | 23 | 20 | 23 | 250 | -10 | 85 |
| DC-495-181 | 490 | 500 | 0.30 | 0.35 | 23 | 25 | 23 | 25 | 250 | -10 | 85 |
| DC-510-182 | 500 | 520 | 0.30 | 0.35 | 20 | 23 | 20 | 23 | 250 | -10 | 85 |
| DC-515-183 | 470 | 560 | 0.40 | 0.50 | 20 | 21 | 20 | 21 | 250 | -10 | 85 |
| 30mm Square Drop in Circulator |
| Device code |
Frequency |
Insertion Loss |
Isolation |
Return Loss |
Power |
Temperature |
| min |
max |
typ |
max |
min |
typ |
min |
typ |
max |
min |
max |
| DC-750-424 | 700 | 800 | 0.40 | 0.50 | 20 | 23 | 20 | 23 | 250 | -10 | 85 |
| DC-800-425 | 750 | 850 | 0.40 | 0.50 | 20 | 23 | 20 | 23 | 250 | -10 | 85 |
| DC-850-426 | 800 | 900 | 0.20 | 0.25 | 23 | 26 | 23 | 26 | 250 | -10 | 85 |
| DC-900-427 | 800 | 1000 | 0.40 | 0.50 | 20 | 23 | 20 | 23 | 250 | -10 | 85 |
| DC-905-428 | 850 | 960 | 0.35 | 0.40 | 20 | 23 | 20 | 23 | 250 | -10 | 85 |
| DC-1088-429** | 960 | 1215 | 0.35 | 0.45 | 20 | 23 | 20 | 23 | 250 | -10 | 85 |
| DC-1150-430 | 1000 | 1300 | 0.35 | 0.40 | 20 | 23 | 20 | 23 | 250 | -10 | 85 |
| DC-1300-431 | 1150 | 1450 | 0.35 | 0.40 | 20 | 23 | 20 | 23 | 250 | -10 | 85 |
| DC-1350-432 | 1200 | 1500 | 0.35 | 0.40 | 20 | 23 | 20 | 23 | 250 | -10 | 85 |
| DC-1500-433 | 1300 | 1700 | 0.35 | 0.40 | 20 | 23 | 20 | 23 | 250 | -10 | 85 |
| DC-1600-434 | 1400 | 1800 | 0.35 | 0.40 | 20 | 23 | 20 | 23 | 250 | -10 | 85 |
| DC-1800-435 | 1600 | 2000 | 0.40 | 0.50 | 20 | 23 | 20 | 23 | 250 | -10 | 85 |
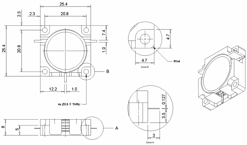
| 25.4mm Square Drop in Circulator |
| Device code |
Frequency |
Insertion Loss |
Isolation |
Return Loss |
Power |
Temperature |
| min | max | typ | max | min | typ | min | typ | max | min | max |
| DC-837-117 | 824 | 849 | 0.25 | 0.30 | 23 | 26 | 23 | 26 | 250 | -10 | 85 |
| DC-882-116 | 869 | 894 | 0.20 | 0.25 | 23 | 26 | 23 | 26 | 250 | -10 | 85 |
| DC-898-115 | 890 | 915 | 0.20 | 0.25 | 23 | 26 | 23 | 26 | 250 | -10 | 85 |
| DC-943-114 | 925 | 960 | 0.20 | 0.25 | 23 | 26 | 23 | 26 | 250 | -10 | 85 |
| DC-910-154 | 860 | 960 | 0.30 | 0.35 | 20 | 23 | 20 | 23 | 250 | -10 | 85 |
| DC-1050-152 | 1000 | 1100 | 0.20 | 0.25 | 23 | 26 | 23 | 26 | 250 | -10 | 85 |
| DC-1300-155* | 1200 | 1400 | 0.30 | 0.50 | 21 | 24 | 21 | 24 | 250 | -10 | 85 |
| DC-1450-xxx* | 1300 | 1600 | 0.30 | 0.50 | 21 | 24 | 21 | 24 | 250 | -10 | 85 |
| DC-1650-156 | 1600 | 1700 | 0.20 | 0.25 | 23 | 26 | 23 | 26 | 250 | -10 | 85 |
| DC-1748-157 | 1710 | 1785 | 0.20 | 0.25 | 23 | 26 | 23 | 26 | 250 | -10 | 85 |
| DC-1843-158 | 1805 | 1880 | 0.20 | 0.25 | 23 | 26 | 23 | 26 | 250 | -10 | 85 |
| DC-1960-159 | 1930 | 1990 | 0.20 | 0.25 | 23 | 26 | 23 | 26 | 250 | -10 | 85 |
| DC-2135-160 | 2070 | 2200 | 0.20 | 0.25 | 23 | 26 | 23 | 26 | 250 | -10 | 85 |
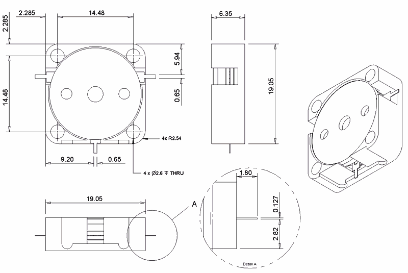
| 19.05mm Square Drop in Circulator |
| Device code |
Frequency |
Insertion Loss |
Isolation |
Return Loss |
Power |
Temperature |
| min |
max |
typ |
max |
min |
typ |
min |
typ |
max |
min |
max |
| DC-1650-436 | 1600 | 1700 | 0.30 | 0.35 | 20 | 23 | 20 | 23 | 250 | -10 | 85 |
| DC-1748-437 | 1710 | 1780 | 0.25 | 0.30 | 20 | 23 | 20 | 23 | 250 | -10 | 85 |
| DC-1843-438 | 1805 | 1880 | 0.20 | 0.30 | 20 | 23 | 20 | 23 | 250 | -10 | 85 |
| DC-1950-439 | 1930 | 1990 | 0.20 | 0.30 | 20 | 23 | 20 | 23 | 250 | -10 | 85 |
| DC-2100-440 | 2000 | 2200 | 0.25 | 0.35 | 20 | 23 | 20 | 23 | 250 | -10 | 85 |
| DC-2350-441 | 2200 | 2500 | 0.25 | 0.30 | 20 | 23 | 20 | 23 | 250 | -10 | 85 |
| DC-2550-442 | 2400 | 2700 | 0.25 | 0.30 | 20 | 23 | 20 | 23 | 250 | -10 | 85 |
| DC-2700-443 | 2500 | 2900 | 0.25 | 0.30 | 20 | 23 | 20 | 23 | 250 | -10 | 85 |
- * Obsolete product. Please see replacement product range here.
- ** Need a slightly wider bandwidth. Contact our sales department and ask us about our extended TACAN band.