Drop in Isolator Product Range
We have a vast range of drop in isolators operating in the 300MHz to 4GHz frequency band. Depending on the operating frequency we have a number of profile options displayed below. In additiona to this we can also supply surface mount options for some of the frequency ranges listed in the tables.
The following tables show some of our standard product range but is just a selection of our products, if you don't see something that meets your needs then please contact our sales team as we have many more designs available or a bespoke part can be designed.
Typical parameters of a circulator and isolator.
| Standard Package Sizes |
| Imperial (") |
|
Metric (mm) |
| Length |
Width |
Height |
|
|
|
Length |
Width |
Height |
| 1.50 | 1.756 | 0.50 | | | | 38.10 | 44.60 | 12.7 |
| 1.25 | 1.25 | 0.50 | | | | 31.75 | 31.75 | 8.00 |
| 1.18 | 1.437 | 0.26 | | | | 30.00 | 36.50 | 6.60 |
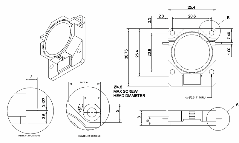
| 1.00 | 1.25 | 0.315 | | | | 25.40 | 31.75 | 8.00 |
| 1.00 | 1.00 | 0.315 | | | | 25.40 | 25.40 | 8.00 |
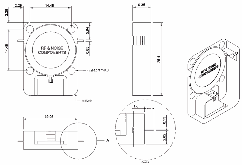
| 0.75 | 1.00 | 0.25 | | | | 19.05 | 19.05 | 6.35 |
Drop in Isolator Specification Tables
| 38 x 44.60mm Drop in Isolator |
| Device code |
Frequency |
Insertion Loss |
Isolation |
Return Loss |
Power |
Temperature |
| min |
max |
typ |
max |
min |
typ |
min |
typ |
fwd |
rev |
min |
max |
| DI-340-xxx | 330 | 350 | 0.40 | 0.50 | 20 | 23 | 20 | 23 | 250 | 100 | -10 | 85 |
| DI-410-xxx | 390 | 430 | 0.35 | 0.40 | 20 | 23 | 20 | 23 | 250 | 100 | -10 | 85 |
| DI-410-xxx | 400 | 420 | 0.30 | 0.40 | 20 | 23 | 20 | 23 | 250 | 100 | -10 | 85 |
| DI-435-xxx | 400 | 470 | 0.4 | 0.50 | 20 | 23 | 20 | 23 | 250 | 100 | -10 | 85 |
| DI-424-xxx | 415 | 432 | 0.30 | 0.40 | 20 | 23 | 20 | 23 | 250 | 100 | -10 | 85 |
| DI-460-xxx | 450 | 470 | 0.30 | 0.35 | 20 | 23 | 20 | 23 | 250 | 100 | -10 | 85 |
| DI-465-xxx | 460 | 470 | 0.30 | 0.35 | 23 | 25 | 23 | 25 | 250 | 100 | -10 | 85 |
| DI-490-xxx | 480 | 500 | 0.30 | 0.35 | 20 | 23 | 20 | 23 | 250 | 100 | -10 | 85 |
| DI-495-xxx | 490 | 500 | 0.30 | 0.35 | 23 | 25 | 23 | 25 | 250 | 100 | -10 | 85 |
| DI-510-xxx | 500 | 520 | 0.30 | 0.35 | 20 | 23 | 20 | 23 | 250 | 100 | -10 | 85 |
| DI-515-xxx | 470 | 560 | 0.40 | 0.50 | 20 | 21 | 20 | 21 | 250 | 100 | -10 | 85 |
| 30 x 36.5mm Drop in Isolator |
| Device code |
Frequency |
Insertion Loss |
Isolation |
Return Loss |
Power |
Temperature |
| min |
max |
typ |
max |
min |
typ |
min |
typ |
fwd |
rev |
min |
max |
| DI-750-465 | 700 | 800 | 0.40 | 0.50 | 20 | 23 | 20 | 23 | 250 | 100 | -10 | 85 |
| DI-800-466 | 750 | 850 | 0.40 | 0.50 | 20 | 23 | 20 | 23 | 250 | 100 | -10 | 85 |
| DI-850-467 | 800 | 900 | 0.20 | 0.25 | 23 | 26 | 23 | 26 | 250 | 100 | -10 | 85 |
| DI-900-468 | 800 | 1000 | 0.40 | 0.50 | 20 | 23 | 20 | 23 | 250 | 100 | -10 | 85 |
| DI-905-469 | 850 | 960 | 0.35 | 0.40 | 20 | 23 | 20 | 23 | 250 | 100 | -10 | 85 |
| DI-1088-470** | 960 | 1215 | 0.35 | 0.45 | 20 | 23 | 20 | 23 | 250 | 100 | -10 | 85 |
| DI-1150-471 | 1000 | 1300 | 0.35 | 0.40 | 20 | 23 | 20 | 23 | 250 | 100 | -10 | 85 |
| DI-1300-472 | 1150 | 1450 | 0.35 | 0.40 | 20 | 23 | 20 | 23 | 250 | 100 | -10 | 85 |
| DI-1350-473 | 1200 | 1500 | 0.35 | 0.40 | 20 | 23 | 20 | 23 | 250 | 100 | -10 | 85 |
| DI-1500-474 | 1300 | 1700 | 0.35 | 0.40 | 20 | 23 | 20 | 23 | 250 | 100 | -10 | 85 |
| DI-1600-475 | 1400 | 1800 | 0.35 | 0.40 | 20 | 23 | 20 | 23 | 250 | 100 | -10 | 85 |
| DI-1800-476 | 1600 | 2000 | 0.40 | 0.50 | 20 | 23 | 20 | 23 | 250 | 100 | -10 | 85 |
| 25.4 x 31.75mm Drop in Isolator |
| Device code |
Frequency |
Insertion Loss |
Isolation |
Return Loss |
Power |
Temperature |
| min |
max |
typ |
max |
min |
typ |
min |
typ |
fwd |
rev |
min |
max |
| DI-837-161 | 824 | 849 | 0.25 | 0.30 | 23 | 26 | 23 | 26 | 250 | 100 | -10 | 85 |
| DI-882-162 | 869 | 894 | 0.20 | 0.25 | 23 | 26 | 23 | 26 | 250 | 100 | -10 | 85 |
| DI-898-163 | 890 | 915 | 0.20 | 0.25 | 23 | 26 | 23 | 26 | 250 | 100 | -10 | 85 |
| DI-943-164 | 925 | 960 | 0.20 | 0.25 | 23 | 26 | 23 | 26 | 250 | 100 | -10 | 85 |
| DI-910-165 | 860 | 960 | 0.30 | 0.35 | 20 | 23 | 20 | 23 | 250 | 100 | -10 | 85 |
| DI-1050-153 | 1000 | 1100 | 0.20 | 0.25 | 23 | 26 | 23 | 26 | 250 | 100 | -10 | 85 |
| DI-1300-166* | 1200 | 1400 | 0.30 | 0.50 | 21 | 24 | 21 | 24 | 250 | 100 | -10 | 85 |
| DI-1450-xxx* | 1300 | 1600 | 0.30 | 0.50 | 21 | 24 | 21 | 24 | 250 | 100 | -10 | 85 |
| DI-1650-167 | 1600 | 1700 | 0.20 | 0.25 | 23 | 26 | 23 | 26 | 250 | 100 | -10 | 85 |
| DI-1748-168 | 1710 | 1785 | 0.20 | 0.25 | 23 | 26 | 23 | 26 | 250 | 100 | -10 | 85 |
| DI-1843-169 | 1805 | 1880 | 0.20 | 0.25 | 23 | 26 | 23 | 26 | 250 | 100 | -10 | 85 |
| DI-1960-170 | 1930 | 1990 | 0.20 | 0.25 | 23 | 26 | 23 | 26 | 250 | 100 | -10 | 85 |
| DI-2135-171 | 2070 | 2200 | 0.20 | 0.25 | 23 | 26 | 23 | 26 | 250 | 100 | -10 | 85 |
| 25.4mm Square Drop in Isolator |
| Device code |
Frequency |
Insertion Loss |
Isolation |
Return Loss |
Power |
Temperature |
| min |
max |
typ |
max |
min |
typ |
min |
typ |
fwd |
rev |
min |
max |
| DI-837-444 | 824 | 849 | 0.25 | 0.30 | 23 | 26 | 23 | 26 | 250 | 100 | -10 | 85 |
| DI-882-445 | 869 | 894 | 0.20 | 0.25 | 23 | 26 | 23 | 26 | 250 | 100 | -10 | 85 |
| DI-898-446 | 890 | 915 | 0.20 | 0.25 | 23 | 26 | 23 | 26 | 250 | 100 | -10 | 85 |
| DI-943-447 | 925 | 960 | 0.20 | 0.25 | 23 | 26 | 23 | 26 | 250 | 100 | -10 | 85 |
| DI-910-448 | 860 | 960 | 0.30 | 0.35 | 20 | 23 | 20 | 23 | 250 | 100 | -10 | 85 |
| DI-1050-449 | 1000 | 1100 | 0.20 | 0.25 | 23 | 26 | 23 | 26 | 250 | 100 | -10 | 85 |
| DI-1300-450* | 1200 | 1400 | 0.30 | 0.50 | 21 | 24 | 21 | 24 | 250 | 100 | -10 | 85 |
| DI-1450-451* | 1300 | 1600 | 0.30 | 0.50 | 21 | 24 | 21 | 24 | 250 | 100 | -10 | 85 |
| DI-1650-452 | 1600 | 1700 | 0.20 | 0.25 | 23 | 26 | 23 | 26 | 250 | 100 | -10 | 85 |
| DI-1748-453 | 1710 | 1785 | 0.20 | 0.25 | 23 | 26 | 23 | 26 | 250 | 100 | -10 | 85 |
| DI-1843-454 | 1805 | 1880 | 0.20 | 0.25 | 23 | 26 | 23 | 26 | 250 | 100 | -10 | 85 |
| DI-1960-455 | 1930 | 1990 | 0.20 | 0.25 | 23 | 26 | 23 | 26 | 250 | 100 | -10 | 85 |
| DI-2135-456 | 2070 | 2200 | 0.20 | 0.25 | 23 | 26 | 23 | 26 | 250 | 100 | -10 | 85 |
| 19.05 x 25.40 mm Drop in Isolator |
| Device code |
Frequency |
Insertion Loss |
Isolation |
Return Loss |
Power |
Temperature |
| min |
max |
typ |
max |
min |
typ |
min |
typ |
fwd |
rev |
min |
max |
| DI-1650-457 | 1600 | 1700 | 0.30 | 0.35 | 20 | 23 | 20 | 23 | 250 | 100 | -10 | 85 |
| DI-1748-458 | 1710 | 1780 | 0.25 | 0.30 | 20 | 23 | 20 | 23 | 250 | 100 | -10 | 85 |
| DI-1843-459 | 1805 | 1880 | 0.20 | 0.30 | 20 | 23 | 20 | 23 | 250 | 100 | -10 | 85 |
| DI-1950-460 | 1910 | 1990 | 0.20 | 0.30 | 20 | 23 | 20 | 23 | 250 | 100 | -10 | 85 |
| DI-2100-461 | 2000 | 2200 | 0.25 | 0.35 | 20 | 23 | 20 | 23 | 250 | 100 | -10 | 85 |
| DI-2350-462 | 2200 | 2500 | 0.25 | 0.30 | 20 | 23 | 20 | 23 | 250 | 100 | -10 | 85 |
| DI-2550-463 | 2400 | 2700 | 0.25 | 0.30 | 20 | 23 | 20 | 23 | 250 | 100 | -10 | 85 |
| DI-2700-464 | 2500 | 2900 | 0.25 | 0.30 | 20 | 23 | 20 | 23 | 250 | 100 | -10 | 85 |
- * Obsolete product. Please see replacement product range here.
- ** Need a slightly wider bandwidth. Contact our sales department and ask us about our extended TACAN band.